СДЖ фильтр сетчатый жидкостной в ООО «ОмегаЭнергетик». Цены, характеристики, описания.
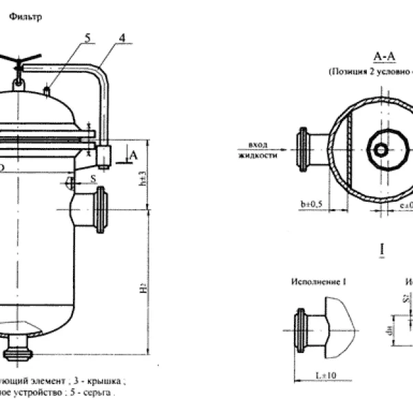
Фильтр сетчатый жидкостной СДЖ предназначен для очистки механических примесей сырой и товарной нефти, нефтепродуктов, а также воды. Областью применения являются узлы учета нефти и нефтепродуктов на объектах нефтепродуктопроводов предприятий нефтяной и других отраслей промышленности.
Фильтры СДЖ в процессе эксплуатации не токсичны и не выделяют химически вредные вещества в окружающую среду.
Фильтр СДЖ предназначены для эксплуатации в условиях взрывоопасных зон всех классов помещений и наружных установках.
При эксплуатации температура окружающего воздуха от -60 до +50 °С.
| Наименование | Параметры |
|---|---|
| Нефть по ГОСТ Р 51858-2002 | |
| Температура, °С | от 5 до +60 |
| Вязкость кинематическая, сСт | до 300 |
| плотность, кг/м3 | 700 до 1200 |
| содержание воды, % объемн. | до 100 |
| содержание мехпримесей, % масс., не более | 0,5 |
| содержание парафина, % масс., не более | 9,0 |
| содержание сернистых соединений, % масс., не более | 3 |
| нефтепродукты (бензин, керосин, дизельное топливо, мазут) | |
| Температура, °С | от 5 до +80 |
| Вязкость, сСт | 300 |
| плотность, кг/м3 | 700 до 1000 |
| содержание мехпримесей, % масс., не более | 0,5 |
| воды с температурой от 0 до +60ºС. | |
Фильтр предназначен для эксплуатации в условиях взрывоопасных зон помещений всех классов и наружных установок класса В-1г, в которых могут образовываться взрывоопасные смеси горючих газов и паров с воздухом категорий II-А, II-В и групп Т1, Т2, ТЗ, Т4, Т5, Т6.
Технические характеристики фильтра СДЖ:
1. Потеря давления на незагрязненных фильтрах СДЖ при максимальной пропускной способности и вязкости нефти до 100 × 10-6 м3/с, не более 0,01 МПа.
2. Допустимый перепад давления на загрязненных фильтрах не более 0,3 МПа.
3. Номинальная тонкость фильтрации от 0,2 до 4 мм. (4 мм. по умолчанию), но возможно изготовление и другой тонкости фильтрации на фильтры СДЖ.
4. Рабочее давление, МПа - 1,6; 2,5; 4,0; 6,3; 16
*Возможно изготовление по индивидуальным размерам и материальному исполнению Заказчика.
*По желанию Заказчика возможно исполнение фильтра сетчатого МИГ-Ф до 16 Мпа.
Пример записи обозначения при заказе фильтра МИГ-Ф:
«Фильтр СДЖ-250-6,3»
СДЖ – маркировка фильтра сетчатого жидкостного;
Ф – плоская крышка;
250 – диаметр условного прохода мм.;
6,3 – условное давление МПа.
| Исполнение фильтра | Условный проход, DN, мм | Условное давление, Р N, МПа | Пропускная способность, м3/ч | Поверхность фильтрации, м2 | Вместимость, м3 |
|---|---|---|---|---|---|
| фильтр СДЖ-40-16 | 40 | 1,6 | 42 | 0,15 | 0,044 |
| фильтр СДЖ -40-25 | 40 | 2,5 | 42 | 0,15 | 0,044 |
| фильтр СДЖ -40-40 | 40 | 4 | 42 | 0,15 | 0,043 |
| фильтр СДЖ -40-63 | 40 | 6,3 | 42 | 0,15 | 0,043 |
| фильтр СДЖ -40-160 | 40 | 16 | 42 | 0,18 | 0,054 |
| фильтр СДЖ -50-16 | 50 | 1,6 | 72 | 0,15 | 0,044 |
| фильтр СДЖ -50-25 | 50 | 2,5 | 72 | 0,15 | 0,044 |
| фильтр СДЖ -50-40 | 50 | 4 | 72 | 0,15 | 0,043 |
| фильтр СДЖ -50-63 | 50 | 6,3 | 72 | 0,15 | 0,043 |
| фильтр СДЖ -50-160 | 50 | 16 | 72 | 0,18 | 0,054 |
| фильтр СДЖ -65-16 | 65 | 1,6 | 120 | 0,15 | 0,044 |
| фильтр СДЖ -65-25 | 65 | 2,5 | 120 | 0,15 | 0,044 |
| фильтр СДЖ -65-40 | 65 | 4 | 120 | 0,15 | 0,043 |
| фильтр СДЖ -65-63 | 65 | 6,3 | 120 | 0,15 | 0,043 |
| фильтр СДЖ -65-160 | 65 | 16 | 120 | 0,18 | 0,054 |
| фильтр СДЖ -80-16 | 80 | 1,6 | 180 | 0,15 | 0,044 |
| фильтр СДЖ -80-25 | 80 | 2,5 | 180 | 0,15 | 0,044 |
| фильтр СДЖ -80-40 | 80 | 4 | 180 | 0,15 | 0,043 |
| фильтр СДЖ -80-63 | 80 | 6,3 | 180 | 0,15 | 0,043 |
| фильтр СДЖ -80-160 | 80 | 16 | 180 | 0,18 | 0,054 |
| фильтр СДЖ -100-16 | 100 | 1,6 | 300 | 0,25 | 0,113 |
| фильтр СДЖ -100-25 | 100 | 2,5 | 300 | 0,25 | 0,113 |
| фильтр СДЖ -100-40 | 100 | 4 | 300 | 0,25 | 0,116 |
| фильтр СДЖ -100-63 | 100 | 6,3 | 300 | 0,25 | 0,113 |
| фильтр СДЖ -150-16 | 150 | 1,6 | 600 | 0,25 | 0,113 |
| фильтр СДЖ -150-25 | 150 | 2,5 | 600 | 0,25 | 0,113 |
| фильтр СДЖ -150-40 | 150 | 4 | 600 | 0,25 | 0,116 |
| фильтр СДЖ -150-63 | 150 | 6,3 | 600 | 0,25 | 0,113 |
| Исполнение фильтра | D, мм | D1, мм | D2, мм | d, мм | n, мм | L, мм | H, мм | H1, мм | Н2, мм | B, мм | Масса, кг |
|---|---|---|---|---|---|---|---|---|---|---|---|
| фильтр СДЖ-40-16 | 110 | 145 | 425 | 18 | 4 | 570 | 460 | 888 | 1132 | 951 | 164 |
| фильтр СДЖ -40-25 | 110 | 145 | 425 | 18 | 4 | 570 | 460 | 888 | 1132 | 951 | 164 |
| фильтр СДЖ -40-40 | 110 | 145 | 470 | 18 | 4 | 570 | 460 | 898 | 1142 | 951 | 215 |
| фильтр СДЖ -40-63 | 125 | 165 | 470 | 22 | 4 | 570 | 460 | 898 | 1142 | 951 | 215 |
| фильтр СДЖ -40-160 | 125 | 165 | 585 | 22 | 4 | 570 | 460 | 924 | 1167 | 1103 | 310 |
| фильтр СДЖ -50-16 | 125 | 160 | 425 | 18 | 4 | 570 | 460 | 888 | 1132 | 951 | 166 |
| фильтр СДЖ -50-25 | 125 | 160 | 425 | 18 | 4 | 570 | 460 | 888 | 1132 | 951 | 166 |
| фильтр СДЖ -50-40 | 125 | 160 | 470 | 18 | 4 | 570 | 460 | 898 | 1142 | 951 | 208 |
| фильтр СДЖ -50-63 | 135 | 175 | 470 | 22 | 4 | 570 | 460 | 898 | 1142 | 951 | 208 |
| фильтр СДЖ -50-160 | 145 | 190 | 585 | 26 | 4 | 570 | 460 | 924 | 1167 | 1103 | 320 |
| фильтр СДЖ -65-16 | 145 | 180 | 425 | 18 | 4 | 570 | 460 | 888 | 1132 | 951 | 171 |
| фильтр СДЖ -65-25 | 145 | 180 | 425 | 18 | 8 | 570 | 460 | 888 | 1132 | 951 | 171 |
| фильтр СДЖ -65-40 | 145 | 180 | 470 | 18 | 8 | 570 | 460 | 898 | 1142 | 951 | 200 |
| фильтр СДЖ -65-63 | 160 | 200 | 470 | 22 | 8 | 570 | 460 | 898 | 1142 | 951 | 200 |
| фильтр СДЖ -65-160 | 170 | 220 | 585 | 26 | 8 | 570 | 460 | 924 | 1167 | 1103 | 360 |
| фильтр СДЖ -80-16 | 160 | 195 | 425 | 18 | 8 | 570 | 460 | 888 | 1132 | 951 | 255 |
| фильтр СДЖ -80-25 | 160 | 195 | 425 | 18 | 8 | 570 | 460 | 888 | 1132 | 951 | 255 |
| фильтр СДЖ -80-40 | 160 | 195 | 470 | 18 | 8 | 570 | 460 | 898 | 1142 | 951 | 320 |
| фильтр СДЖ -80-63 | 170 | 210 | 470 | 22 | 8 | 570 | 460 | 898 | 1142 | 951 | 320 |
| фильтр СДЖ -80-160 | 180 | 230 | 585 | 26 | 8 | 680 | 460 | 924 | 1167 | 1103 | 370 |
| фильтр СДЖ -100-16 | 180 | 215 | 610 | 18 | 8 | 900 | 500 | 938 | 1178 | 1088 | 323 |
| фильтр СДЖ -100-25 | 190 | 230 | 610 | 22 | 8 | 900 | 500 | 938 | 1178 | 1088 | 323 |
| фильтр СДЖ -100-40 | 190 | 230 | 670 | 22 | 8 | 900 | 500 | 951 | 1188 | 1152 | 502 |
| фильтр СДЖ -100-63 | 200 | 250 | 670 | 26 | 8 | 900 | 500 | 951 | 1188 | 1152 | 502 |
| фильтр СДЖ -150-16 | 240 | 280 | 610 | 22 | 8 | 900 | 500 | 938 | 1178 | 1088 | 369 |
| фильтр СДЖ -150-25 | 250 | 300 | 610 | 26 | 8 | 900 | 500 | 938 | 1178 | 1088 | 369 |
| фильтр СДЖ -150-40 | 250 | 300 | 670 | 26 | 8 | 900 | 500 | 951 | 1188 | 1152 | 589 |
| фильтр СДЖ -150-63 | 280 | 340 | 670 | 33 | 8 | 900 | 500 | 951 | 1188 | 1152 | 589 |
| НОРД-Э3М блок электронный |
| НОРД-И2У, НОРД-И1У датчик магнитоиндукционный |