МИГ-ИЛ линия измерительная в ООО «ОмегаЭнергетик». Цены, характеристики, описания.
Линия измерительная МИГ-ИЛ предназначена для очистки нефти от механических включений, устранения завихрений, выравнивания эпюры скоростей потока нефти и измерения в составе узлов учета количества нефти.
Линия измерительная МИГ-ИЛ предназначена для очистки нефти от механических включений, устранения завихрений, выравнивания эпюры скоростей потока нефти и измерения в составе узлов учета количества нефти.
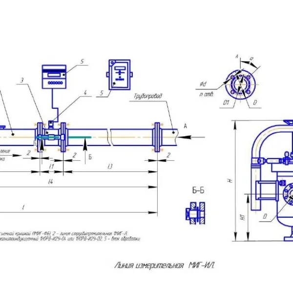
Состав линии измерительной МИГ-ИЛ:
● Cчетчик нефти турбинный МИГ – для измерения объема нефти, в составе:
- турбинный преобразователь расхода ТПР МИГ ;
- датчик магнитоиндукционный НОРД-И2У-02 или НОРД-И2У-01 ;
- электронный блок НОРД-Э3М или блок обработки данных VEGA-03;
● Фильтр сетчатый МИГ-Ф или фильтр сетчатый с быстросъемной крышкой МИГ-ФБ – для очистки сырой и товарной нефти от механических включений;
● Линия струевыпрямительная МИГ-Л – для устранения завихрений и выравнивания эпюры скоростей потока нефти.
ТПР с датчиком, фильтр и линия предназначены для эксплуатации в условиях взрывоопасных зон всех классов помещений и наружных установках класса В-1г, в которых могут образовываться взрывоопасные смеси горючих газов и паров с воздухом категорий IIА, IIВ и групп Т1, Т2, ТЗ, Т4, Т5 и Т6 согласно классификации ГОСТ 12.1.011-78.
Блок обработки данных VEGA-03 или блок электронный НОРД-Э3М предназначен для эксплуатации вне взрывоопасных помещений и наружных установках.
| Измеряемая среда – нефть по ГОСТ Р 51858-2002: | |
|---|---|
| температура, °С | от 0 до + 60 |
| вязкость кинематическая, м2/с | (1 -100)*10-6 |
| размер механических примесей, мм., не более | 4 |
| Содержание свободного газа | не допускается |
| При эксплуатации температура окружающего воздуха (°С): | |
| турбинный преобразователь, датчика магнитоиндукционного, фильтра, линии струевыпрямительной | -50 ... +50 |
| блока обработки данных VEGA-03 и блока электронного НОРД-Э3М | +5 ... +40 |
| Исполнение линии измерительной МИГ-ИЛ | Диаметр условного прохода, мм. | Рабочее давление, МПа | Максимальный объемный расход, м3/ч | Наружный диаметр фланцев, мм. | Строительная длина, мм. | Масса, кг., не более |
|---|---|---|---|---|---|---|
| МИГ–ИЛ–32–1,6 | 32 | 1,6 | 27 | 135 | 1264 | 171,1 |
| МИГ–ИЛ–32–2,5 | 32 | 2,5 | 27 | 135 | 1270 | 188,8 |
| МИГ–ИЛ–32–4,0 | 32 | 4 | 27 | 135 | 1270 | 212,8 |
| МИГ–ИЛ–32–6,3 | 32 | 6,3 | 27 | 150 | 1304 | 244,8 |
| МИГ–ИЛ–32–16,0 | 32 | 16 | 27 | 150 | 1314 | 344,3 |
| МИГ-ИЛ-40-1,6 | 40 | 1,6 | 42 | 145 | 1354 | 171,2 |
| МИГ-ИЛ-40-2,5 | 40 | 2,5 | 42 | 145 | 1354 | 191 |
| МИГ-ИЛ-40-4,0 | 40 | 4 | 42 | 145 | 1354 | 214,1 |
| МИГ-ИЛ-40-6,3 | 40 | 6,3 | 42 | 165 | 1394 | 248,1 |
| МИГ-ИЛ-40-16,0 | 40 | 16 | 42 | 165 | 1409 | 350,6 |
| МИГ-ИЛ-50-1,6 | 50 | 1,6 | 72 | 160 | 1521 | 180 |
| МИГ-ИЛ-50-2,5 | 50 | 2,5 | 72 | 160 | 1521 | 199 |
| МИГ-ИЛ-50-4,0 | 50 | 4 | 72 | 160 | 1521 | 230,4 |
| МИГ-ИЛ-50-6,3 | 50 | 6,3 | 72 | 175 | 1521 | 261 |
| МИГ-ИЛ-50-16,0 | 50 | 16 | 72 | 195 | 1531 | 376 |
| МИГ-ИЛ-65-1,6 | 65 | 1,6 | 120 | 180 | 1769 | 200,1 |
| МИГ-ИЛ-65-2,5 | 65 | 2,5 | 120 | 180 | 1769 | 217,2 |
| МИГ-ИЛ-65-4,0 | 65 | 4 | 120 | 180 | 1769 | 216,5 |
| МИГ-ИЛ-65-6,3 | 65 | 6,3 | 120 | 200 | 1769 | 258,2 |
| МИГ-ИЛ-65-16,0 | 65 | 16 | 120 | 220 | 1769 | 446,5 |
| МИГ-ИЛ-80-1,6 | 80 | 1,6 | 180 | 195 | 2024 | 293,5 |
| МИГ-ИЛ-80-2,5 | 80 | 2,5 | 180 | 195 | 2024 | 309,5 |
| МИГ-ИЛ-80-4,0 | 80 | 4 | 180 | 195 | 2024 | 340,7 |
| МИГ-ИЛ-80-6,3 | 80 | 6,3 | 180 | 210 | 2029 | 393,8 |
| МИГ-ИЛ-80-16,0 | 80 | 16 | 180 | 230 | 2134 | 483,6 |
| МИГ-ИЛ-100-1,6 | 100 | 1,6 | 300 | 250 | 2760 | 344,3 |
| МИГ-ИЛ-100-2,5 | 100 | 2,5 | 300 | 230 | 2760 | 401,7 |
| МИГ-ИЛ-100-4,0 | 100 | 4 | 300 | 230 | 2760 | 508,5 |
| МИГ-ИЛ-100-6,3 | 100 | 6,3 | 300 | 250 | 2760 | 606,5 |
| МИГ-ИЛ-150-1,6 | 150 | 1,6 | 600 | 280 | 3522 | 391,5 |
| МИГ-ИЛ-150-2,5 | 150 | 2,5 | 600 | 300 | 3522 | 535,5 |
| МИГ-ИЛ-150-4,0 | 150 | 4 | 600 | 300 | 3522 | 612,5 |
| МИГ-ИЛ-150-6,3 | 150 | 6,3 | 600 | 340 | 3522 | 853,5 |
| МИГ-ИЛ-200-1,6 | 200 | 1,6 | 1100 | 335 | 4561 | 983,4 |
| МИГ-ИЛ-200-2,5 | 200 | 2,5 | 1100 | 360 | 4561 | 1149,4 |
| МИГ-ИЛ-200-4,0 | 200 | 4 | 1100 | 375 | 4561 | 1391,8 |
| МИГ-ИЛ-200-6,3 | 200 | 6,3 | 1100 | 405 | 4561 | 1864,5 |
| МИГ-ИЛ-250-1,6 | 250 | 1,6 | 1900 | 405 | 5311 | 1171,9 |
| МИГ-ИЛ-250-2,5 | 250 | 2,5 | 1900 | 425 | 5311 | 1365 |
| МИГ-ИЛ-250-4,0 | 250 | 4 | 1900 | 445 | 5311 | 1614,4 |
| МИГ-ИЛ-250-6,3 | 250 | 6,3 | 1900 | 470 | 5311 | 2231,1 |
| МИГ-ИЛ-400-1,6 | 400 | 1,6 | 4000 | 580 | 8014 | 2702,1 |
| МИГ-ИЛ-400-2,5 | 400 | 2,5 | 4000 | 610 | 8014 | 3127,2 |
| МИГ-ИЛ-400-4,0 | 400 | 4 | 4000 | 655 | 8014 | 4007,5 |
| МИГ-ИЛ-400-6,3 | 400 | 6,3 | 4000 | 670 | 8014 | 5064,7 |